CERRADURA 200030HL LATONADO TESA

3103.0050 UdxCaja: 1 8414625105699
Etiquetas

Características

  • La gama Standard de cerraduras de embutir de TESA ofrece soluciones para carpintería de madera ajustada en precio con prestaciones y calidad de acabados de gamas mucho mas superiores.
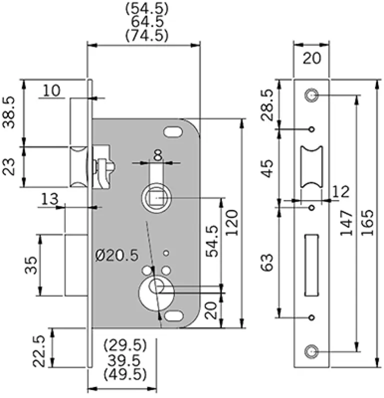
  • Son cerraduras de embutir en puertas de madera, reversibles con una distancia entre ejes de 54.5mm con entrada de 30mm, nueca de 8mm y nueca de condena de 6mm.
  • Su frente estrecho es adecuado para puertas con solapa de 20mm
  • con caja cerrada, cilindro redondo TE-5 con 3 llaves de acero niquelado, dos llaves de gorja de acero niquelado.
  • Su funcionamiento es sencillo, el cilindro acciona la palanca (1 vuelta) y el picaporte, la nueva acciona el picaporte.

La descripción aparecerá aquí...

Vídeo

Previsión de entrada

255 22/01/2026
955 22/01/2026